Tóm tắt sản phẩm
| Máy bơm năng lượng mặt trời dòng RVE35 VFD | | |
| | ĐẦU VÀO DC /AC | |
| | Thiết kế tinh tế | |
| | MPPT | |
| tham số | ||
| | người mẫu | RVE35-T3-200G ~ RVE35-T3-250G |
| Điện áp | Đầu vào 350VDC đến 800/900VDC, đầu vào 3 PH 380VAC đến 440VAC | |
| Xếp hạng P (kW) | 200/220/250 | |
| Dòng điện định mức (A) | 380/415/470/520 | |
| MPPT Vmp/Voc | 540/660 | |
| Kích thước (mm) | 900*540*358 | |
Nền ứng dụng
| Trong những năm gần đây, với mức độ ngày càng nghiêm trọng của “vấn đề lương thực” và “vấn đề năng lượng” toàn cầu, máy bơm nước năng lượng mặt trời dần được ca ngợi là sản phẩm tích hợp công nghiệp hiệu quả để giải quyết bài toán tăng sản lượng đất canh tác hiệu quả và thay thế năng lượng hóa thạch bằng năng lượng sạch. Kết quả là, một mô hình kinh tế mới nổi đã ra đời trong đó ngành năng lượng mặt trời phát triển kết hợp với các ngành công nghiệp truyền thống như bảo tồn nước nông nghiệp, kiểm soát sa mạc, sử dụng nước sinh hoạt và cảnh quan nước đô thị. |
Tính năng sản phẩm
• Theo dõi điểm công suất tối đa (MPPT) với tốc độ phản hồi nhanh và hoạt động ổn định
• Bảo vệ chạy khô (dưới tải)
• Bảo vệ dòng điện tối đa cho động cơ
• Bảo vệ nguồn điện đầu vào
• Bảo vệ tần số dừng thấp
• Đường cong hiệu suất PQ (công suất/lưu lượng) cho phép tính toán lưu lượng đầu ra từ máy bơm
• Điều khiển kỹ thuật số cho các chức năng vận hành, lưu trữ dữ liệu và bảo vệ hoàn toàn tự động
• Mô-đun nguồn thông minh (IPM) cho mạch chính
• Bảng điều hành màn hình LED và hỗ trợ điều khiển từ xa
• Có sẵn đầu vào nguồn điện AC và DC ở chế độ kép
• Cảm biến thăm dò mực nước thấp và chức năng kiểm soát mực nước
• Nhiệt độ môi trường sử dụng: -10 đến 50˚C.
| Thiết kế tinh tế Diện tích lắp đặt giảm 50% Khối lượng giảm 30% | |
| | Máy sơn ba lớp hoàn toàn tự động được sử dụng để làm dày lớp bảo vệ bảng mạch, ngăn ngừa hiệu quả sự hư hỏng bảng mạch do bụi gió, khí ăn mòn và không khí ẩm. |
| | Áp dụng thiết bị phát hiện hoàn toàn tự động để kiểm tra các chỉ báo điện và chức năng bảo vệ khác nhau của sản phẩm dưới tải định mức. |
| | Tất cả các sản phẩm hoàn thiện đều được ủ dưới tải trong 48 giờ ở nhiệt độ cao 60 độ, sau đó tất cả các chỉ số điện đều được kiểm tra dưới tải để giảm tỷ lệ hỏng hóc của sản phẩm. |
Danh pháp mô hình
Dòng S2 loại chung:
Đầu vào Vmp 310VDC hoặc 220VAC, đầu ra 1/3 pha 0-220VAC
| người mẫu | Dòng điện định mức ( A ) | Điện áp đầu ra ( VAC ) | Áp dụng cho máy bơm công suất (kW) | Kích thước bên ngoài của ổ đĩa Cao*W*D (mm) | MPPT Vmp/Voc |
| RVE35-S2-0R7G | 4 | 0-220 | 0.75 | 187*86*152 | 310/372 |
| RVE35-S2-1R5G | 7 | 0-220 | 1.5 | ||
| RVE35-S2-2R2G | 10 | 0-220 | 2.2 | ||
| RVE35-S2-3G | 13 | 0-220 | 3 | 265*105*164 | |
| RVE35-S2-4G | 16 | 0-220 | 4 |
Dòng T3 loại chung:
Đầu vào Vmp540 đến 650VDC hoặc 380 đến 460VAC, đầu ra 3 pha 0-380/460VAC
| người mẫu | Dòng điện định mức ( A ) | Điện áp đầu ra ( VAC ) | Áp dụng cho máy bơm công suất (kW) | Kích thước bên ngoài của ổ đĩa Cao*W*D (mm) | MPPT Vmp/Voc |
| RVE35-T3-0R7GB | 2,5/3,7 | 0-380/440 | 0.75 | 187*86*152 | 540/660 |
| RVE35-T3-1R5GB | 3,7/5 | 0-380/440 | 1.5 | ||
| RVE35-T3-2R2GB | 5/10 | 0-380/440 | 2.2 | ||
| RVE35-T3-4GB | 13/10 | 0-380/440 | 4.0 | ||
| RVE35-T3-5R5GB | 16/13 | 0-380/440 | 5.5 | 265*105*164 | |
| RVE35-T3-7R5GB(Vỏ Nhựa) | 25/16 | 0-380/440 | 7.5 | ||
| RVE35-T3-7R5GB(Vỏ sắt) | 25/16 | 0-380/440 | 7.5 | 333*150*216 | |
| RVE35-T3-11GB | 25/32 | 0-380/440 | 11 | ||
| RVE35-T3-15GB | 32/38 | 0-380/440 | 15 | ||
| RVE35-T3-18GB | 38/45 | 0-380/440 | 18 | 383*180*228 | |
| RVE35-T3-22GB | 45/60 | 0-380/440 | 22 | ||
| RVE35-T3-30GB | 60/75 | 0-380/440 | 30 | 435*175*265 | |
| RVE35-T3-37GB | 75/90 | 0-380/440 | 37 | ||
| RVE35-T3-45G | 90/110 | 0-380/440 | 45 | 670*265*358 | |
| RVE35-T3-55G | 110/150 | 0-380/440 | 55 | ||
| RVE35-T3-75G | 150/170 | 0-380/440 | 75 | ||
| RVE35-T3-90G | 170/210 | 0-380/440 | 90 | 845*305*358 | |
| RVE35-T3-110G | 210A/250 | 0-380/440 | 110 | ||
| RVE35-T3-132G | 250A/300 | 0-380/440 | 132 | ||
| RVE35-T3-160G | 300A/340 | 0-380/440 | 160 | 788*500*360 | |
| RVE35-T3-185G | 340/380 | 0-380/440 | 185 | ||
| RVE35-T3-200G | 380/415 | 0-380/440 | 200 | 900*540*358 | |
| RVE35-T3-220G | 415/470 | 0-380/440 | 220 | ||
| RVE35-T3-250G | 470/520 | 0-380/440 | 250 | ||
| RVE35-T3-280G | 520/600 | 0-380/440 | 280 | 1035*620*400 | |
| RVE35-T3-315G | 600/680 | 0-380/440 | 315 | ||
| RVE35-T3-355G | 680/750 | 0-380/440 | 355 | 1290*780*410 | |
| RVE35-T3-400G | 750/810 | 0-380/440 | 400 |
Hiệu suất xuất sắc
| | Kiểm soát vectơ hiệu suất cao để cải thiện độ chính xác của thiết bị |
| Tần số đầu ra tối đa trong điều khiển vectơ đạt tới 1500 Hz, có thể đạt được tốc độ đầu ra có độ chính xác cao trong phạm vi điều chỉnh tốc độ từ tính yếu gấp 1o lần. | |
| | |
| | Truyền động hoàn hảo cho động cơ đồng bộ |
| Dạng sóng hiện tại của động cơ đồng bộ ở chế độ điều khiển vectơ vòng hở ở tần số 500 Hz với tải định mức 100%. | |
| | |
| | Thiết kế tản nhiệt đáng tin cậy |
| Công nghệ thiết kế ống dẫn khí đôi độc lập có thể hiện thực hóa việc sử dụng bộ truyền động bơm năng lượng mặt trời với nhiệt độ vòng 50oC mà không làm giảm công suất. |
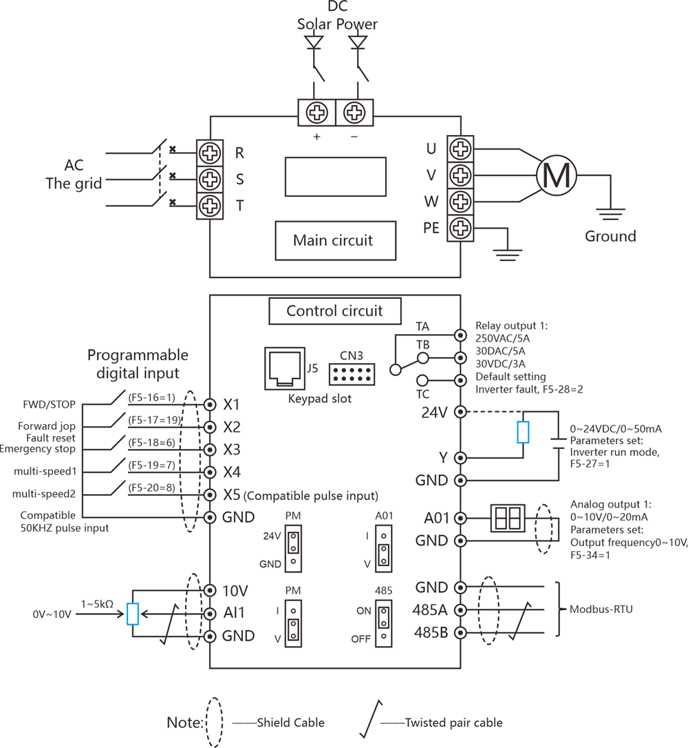
Sơ đồ nối dây
Đối với sản phẩm RVE35 0,75kw-7,5kw, vui lòng lưu ý những điều sau:
1. Sản phẩm không chứa các đầu vào logic X6 và X7;
2. Sản phẩm chỉ bao gồm 1 đầu vào analog, 1 đầu ra analog và 1 đầu ra rơle









































